Beneficiar:
Primăria comunei Bucov
Descrierea proiectului:
Documentatia are ca scop prognoza impactului activităţilor ce se vor desfăşura în obiectivul propus prin documentaţia analizată asupra factorilor de mediu (apă, aer, sol, etc.) şi de a stabili măsurile de diminuare sau chiar eliminare a impactului negativ.
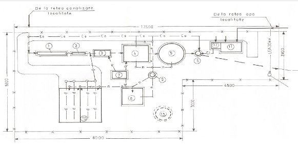
Principalele lucrări propuse pentru realizare si asupra carora s-a facut evaluarea impactului asupra mediului au fost:
■ înfiinţarea unei reţele închise de canalizare care să dea posibilitate de racordare a locuinţelor şi unităţilor social - economice din zonă (5.000 locuitori ai localităţilor Bucov şi Pleaşa), şi să permită colectarea apelor uzate, menajere şi industriale, şi dirijarea lor către staţia de epurare printr-un sistem centralizat de canalizare;
■ epurarea apelor uzate colectate în cadrul unei staţii moderne şi eficiente prevăzute cu treaptă mecanică, biologică şi staţie de clorinare, statia de epurare avand o capacitate de 15 l/s.
Prognoza impactului asupra factorilor de mediu a condus la formularea următoarelor concluzii:
■ factorul de mediu apă:
- in condiţii normale de functionare, Ip= 0,8, mediu afectat în limite admise-nivel 2, efectele nu sunt nocive;
- in cazul unor avarii, în lipsa bazinelor de stocare, Ip= 8,3 mediu degradat nivel 1, efectele sunt letale la durate medii de expunere;
■ factorul de mediu aer – Ip=0,04, impact fără efecte asupra mediului
■ factorul de mediu sol:
- impact direct nesemnificativ, necuantificabil;
- impact indirect cuantificabil prin valoarea maxima a Ip determinata pentru factorul de mediu apa si aer
■ factorul de mediu subsol - impact necuantificabil;
■ factorul de mediu biodiversitate - acelaşi impact ca pentru factorul de mediu apa;
■ factorul de mediu peisaj - impact nesemnificativ;
■ mediul social şi economic:
- din punct de vedere peisagistic - impact necuantificabil;
- din punct de vedere al fondului sonor din zona – Ip mai mic decat 1, mediu afectat in limite admise nivel 2, efectele nu sunt nocive
■ condiţii culturale şi etnice – fără impact semnificativ.

